Надёжная очистка теплоносителя от механических примесей в системах отопления и водоснабжения. Комбинированный принцип фильтрации. Срок службы — 20 лет.
Угреша ГВА предназначен для очистки воды от взвешенных частиц песка, окалины, крупных продуктов коррозии. Применяется на трубопроводах тепловой сети в котельных, на вводах в тепловые пункты, абонентских вводах ХВС и ГВС, элеваторных узлах, а также для предварительной очистки воды перед фильтрами на водозаборах.
Рабочая среда — вода холодная и горячая, технологические жидкости группы 2 по ТР ТС 032/2013. Допустимая концентрация хлорид-ионов — до 250 мкг-экв/дм³.
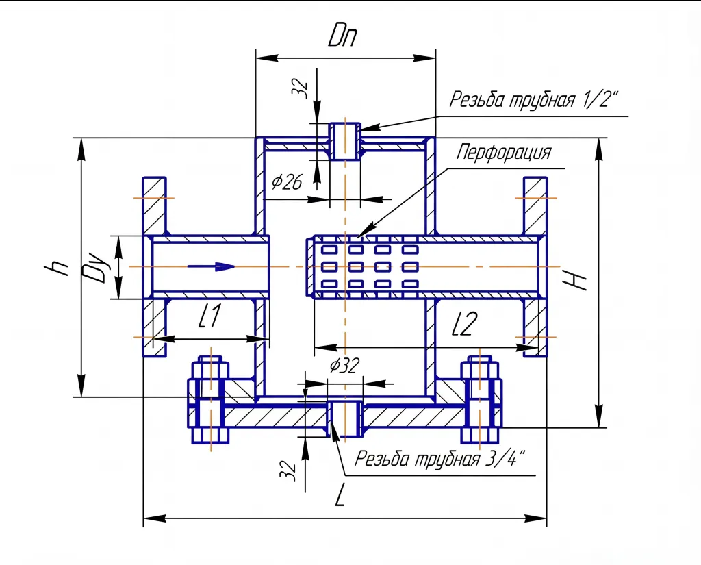
Установка — вертикальная, крышкой вниз. Направление подачи среды — одностороннее. Размер ячейки перфорации фильтра — от 1,0 до 5,0 мм.
Рис. 1. Габаритный чертёж Угреша ГВА
Грязевик — стальная сварная конструкция из полого цилиндрического корпуса со съёмной нижней крышкой. К корпусу приварены входной и выходной патрубки с фильтром.
Очистка воды от механических примесей в грязевике происходит за счет комбинированного использования естественных сил инерции потока и гравитации с применением грубой сетки из нержавеющей стали в качестве фильтрующего элемента. Механические примеси оседают и накапливаются в нижней части грязевика.
Грязевики УЗТПА сочетают передовые инженерные решения с проверенными технологиями производства
Срок службы 20 лет. Гарантия — 12 мес. с ввода в эксплуатацию, не более 18 мес. с отгрузки.
Рабочая среда группы 2 по ТР ТС 032/2013. Хлорид-ионы до 250 мкг-экв/дм³.
DN25 — DN400 перекрывает потребности абонентских вводов, ИТП, котельных и промышленных объектов.
У по ГОСТ 15150-69
Потери напора ≤ 0,2 кгс/см². Комбинированный принцип: инерция + гравитация + сетка из нержавеющей стали.
Фланцевое по ГОСТ 33259-2015 или приварное по ГОСТ 16037-80 — под конкретный трубопровод.
| Параметр | Значение |
|---|---|
| Обозначение | Грязевик вертикальный абонентский (ГВА) |
| Рабочая среда | Вода холодная/горячая, техн. жидкости группы 2 по ТР ТС 032/2013. Возможная концентрация хлорид-ионов в теплоносителе до 250 мкг-экв/дм³ |
| Макс. температура | + 200 °C |
| Потери напора | ≤ 0,2 кгс/см² |
| Направление подачи среды | Одностороннее |
| Положение монтажа | Вертикальное, крышкой вниз |
| DN | DN25 — DN400 (14 типоразмеров) по ГОСТ 28338-89 |
| PN (кгс/см²) | PN10, PN16, PN25 по ГОСТ 26349-84 |
| Присоединение | Фланцевое (ГОСТ 33259-2015) / Приварное (ГОСТ 16037-80) |
| Размер ячейки перфорации фильтра | 1,0 — 5,0 мм |
| Фильтрующий элемент | Грубая сетка, нержавеющая сталь |
| Резьбовое отверстие G1/2 | для шаровый кран-воздушник DN15 |
| Резьбовое отверстие G3/4 | для дренажный шаровый кран DN 20 |
| Материал корпуса ГВА | Сталь, сварная конструкция |
| Срок службы | 20 лет |
| Гарантия | 12 мес. с ввода в эксплуатацию (не более 18 мес. со дня отгрузки) |
| Климатическое исполнение | У по ГОСТ 15150-69 |
Размеры в мм. Все исполнения доступны в давлениях PN10, PN16, PN25.
| DN | Dy, мм | Dn, мм | L, мм | H, мм | PN |
|---|---|---|---|---|---|
| DN25 | 33,5 | 89 | 289 | 160 | 10/16/25 |
| DN32 | 42,3 | 89 | 289 | 160 | 10/16/25 |
| DN40 | 48 | 108 | 308 | 215 | 10/16/25 |
| DN50 | 57 | 108 | 359 | 257 | 10/16/25 |
| DN65 | 76 | 159 | 425 | 369 | 10/16/25 |
| DN80 | 89 | 159 | 425 | 369 | 10/16/25 |
| DN100 | 108 | 219 | 473 | 421 | 10/16/25 |
| DN125 | 133 | 219 | 473 | 441 | 10/16/25 |
| DN150 | 159 | 325 | 526 | 565 | 10/16/25 |
| DN200 | 219 | 426 | 626 | 671 | 10/16/25 |
| DN250 | 273 | 426 | 626 | 730 | 10/16/25 |
| DN300 | 325 | 530 | 930 | 1000 | 10/16/25 |
| DN350 | 377 | 630 | 930 | 1100 | 10/16/25 |
| DN400 | 426 | 820 | 1100 | 1100 | 10/16/25 |
Тепловые пункты, насосные станции, трубопроводы тепловой сети
Абонентские вводы ГВС/ХВС, ИТП, элеваторные узлы
Технологические потоки, предварительная очистка перед фильтрами на водозаборах
Подконтрольные объекты с повышенными требованиями безопасности
Угрешский завод трубопроводной арматуры — одно из ведущих машиностроительных предприятий России, специализирующееся на выпуске запорной арматуры для промышленных и коммунальных объектов.
Грязевик в собранном виде, готовый к монтажу
Паспорт или формуляр на изделие
Руководство по эксплуатации на изделие
Маркировка грязевиков выполняется на корпусе ударным способом и содержит:
Монтажные работы по установке и обвязке грязевика должны производиться специализированной монтажной организацией в соответствии с действующими правилами и нормами согласно техническому или проектному решению.
Установка и обвязка грязевика должна быть произведена в отапливаемом помещении таким образом, чтобы обеспечивалась возможность осмотра, ремонта и очистки грязевика. Грязевик монтируется на прямом и обратном трубопроводе при помощи фланцевых соединений и отключается от схемы с помощью запорной арматуры до и после грязевика.
При первоначальном включении грязевика необходимо:
В процессе рабочей эксплуатации в верхней части грязевика возможно появление воздушной подушки, поэтому необходимо периодически открывать воздушник для удаления воздуха из корпуса грязевика.
Во время эксплуатации необходим контроль гидравлического сопротивления по показаниям манометров. Условием нормальной работы грязевика является постепенное нарастание гидравлического сопротивления по показаниям манометров на линии трубопровода до и после грязевика. В случае неправильной работы требуется очистка грязевика или его замена.
Необходимо периодически проверять сварные швы и детали грязевика на предмет деформации и коррозии. В случае возникновения утечки рабочей среды из фланцевых соединений необходимо подтянуть соединения, используя гаечные ключи. Если подтяжка не приводит к прекращению утечки, необходимо заменить уплотнительную прокладку.
Грязевик является устройством, рассчитанным на длительную эксплуатацию, не требующим какого-либо специального обслуживания, кроме периодического удаления накопившихся загрязнений через дренажные патрубки без отключения грязевика от трубопроводной системы.
Периодичность удаления шлама из грязевика зависит от степени загрязнения исходной рабочей среды и может быть рекомендована в следующем режиме:
Для удаления загрязнений из грязевика необходимо на 5–30 секунд открыть дренажный вентиль и слить из грязевика накопившийся шлам в существующую дренажную систему или на очистные сооружения. В период профилактических работ рекомендуется снять крышку, произвести осмотр и, при необходимости, удалить крупные загрязнения, очистить и промыть фильтр.
К монтажу, эксплуатации и техническому обслуживанию допускается персонал, изучивший устройство изделия, требования руководства по эксплуатации и прошедший инструктаж по технике безопасности и охране труда. При производстве ремонтных или профилактических работ обслуживающий персонал должен иметь индивидуальные средства защиты (очки, рукавицы, спецодежду) и соблюдать требования безопасности.
Источником опасности при монтаже, эксплуатации и ремонте является рабочая среда, находящаяся под давлением и имеющая высокую температуру, поэтому для обеспечения безопасной работы категорически запрещается:
Безопасность эксплуатации обеспечивается прочностью и герметичностью корпуса, а также надежным креплением грязевика на месте эксплуатации.
ВНИМАНИЕ. Запрещается использовать грязевик при параметрах, несоответствующих его технической характеристике. До начала каких-либо профилактических или ремонтных работ следует получить от руководителя работ исчерпывающий инструктаж и только после полного уяснения порядка выполнения работы и мероприятий по её безопасному выполнению, персонал может начать работы.
В случае демонтажа грязевика он должен быть полностью отключен от системы закрытием запорной арматуры как до него, так и после него. Следует помнить, что за грязевиком имеется противодавление и, если система за ним не будет отключена, может возникнуть аварийная ситуация. После отключения запорной арматуры необходимо убедиться в отсутствии протечек через затвор этой арматуры, так как протечки могут привести к ожогам работающих.
Транспортирование изделия допускается любым видом транспорта и на любое расстояние в условиях, исключающих повреждение изделия и его упаковки. Условия транспортирования изделия в части воздействия климатических факторов по ГОСТ 15150-69 — группа 3(Ж3).
Условия хранения изделия в части воздействия климатических факторов по ГОСТ 15150-69 — группа 6(ОЖ2).
Оставьте заявку — подберём типоразмер и давление, подготовим КП и рассчитаем сроки поставки.
Или свяжитесь напрямую:
МО, г. Дзержинский, ул. Лесная, 34