Продукция и услуги
Шаровый кран для воды, приварной, полнопроходной DN600, DN700, DN800
| Материал корпуса | |
| Рабочая среда | Вода |
| t°C рабочей среды | до ≈+200°C |
| Класс герметичности | "А" ПО ГОСТ 9544-2015 |
| Характеристики | ЦЕЛЬНОСВАРНАЯ КОНСТРУКЦИЯ |
| Шпиндель | СТАЛЬ 20Х13 |
| Кольца уплотнительные | ФТОРСИЛОКСАНОВЫЙ ЭЛАСТОМЕР |
| Корпус, горловина | СТАЛЬ 20 / СТАЛЬ 09Г2С / 12Х18Н10 |
| Патрубок | СТАЛЬ 20 / СТАЛЬ 09Г2С / 12Х18Н10 |
| Пробка | Сталь нержавеющая |
| Седло | ФТОРОПЛАСТ Ф4К20 |
| Пружина тарельчатая | СТАЛЬ ПРУЖИННАЯ / НЕРЖАВЕЮЩАЯ СТАЛЬ |
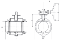
Габаритные и присоединительные размеры *
Скачать каталог
Преимущества применения
- Подходит для эксплуатации на особо ответственных участках трубопровода.
- Конкурентоспособная цена.
- Полная герметичность перекрытия потока среды.
- Современная конструкция, максимально подходящая для российских условий эксплуатации.
- Возможность использования на трубопроводах горячей и холодной воды с давлением до 4,0 Мпа и температурой рабочей среды до 200°С.
- Соединение патрубков данного шарового крана с трубопроводом выполняется с использованием фланцевого соединения с применением уплотнительных прокладок и комплекта метизов.
Услуги (включено)
- Стандартная гарантия
Дополнительные услуги
- Выезд специалистов предприятия на объекты эксплуатации
- Установка приводных устройств заказчика
- Удлиненный шток для подземной установки
- Покрытие усиленного типа
- Приварка переходных колец
- Полиэтиленовые патрубки
- Доставка продукции до склада потребителя
- Обучение специалистов заказчика
Основные вопросы и ответы
- Как узнать стоимость Мы сами производим трубопроводную арматуру, поэтому можем предложить лучшие цены на продукцию УЗТПА. Стоимость можно узнать, направив запрос на почту info@uztpa.ru или по телефону +7 (495) 120 5789 С вами будет работать персональный менеджер. Он предоставит оперативный расчёт стоимости, проконсультирует по техническим вопросам и обеспечит сопровождение сделки: от обращения до отправки готовой продукции.
- Совместима ли данная продукция с трубами 1400 диаметра На Угрешском заводе трубопроводной арматуры производят шаровые краны для разных рабочих сред с широким диапазоном диаметров. Предприятие выпускает трубопроводную арматуру номинальным диаметром до DN1400 включительно. Возможно изготовление кранов в специальном исполнении в соответствии с опросным листом или чертежом заказчика, а также оснащение приводными устройствами по требованию заказчика.
- Что такое стандартная гарантия УЗТПА предоставляет заводскую гарантию на продукцию предприятия сроком до 10 лет. Специалисты УЗТПА осуществляют гарантийное и постгарантийное обслуживание запорной арматуры. Техническую поддержку клиентов обеспечивает высококвалифицированный инженерно-технический персонал. УЗТПА уделяет особое внимание качеству обслуживания и сервисной составляющей работы с клиентами. По вопросам качества вы всегда можете обратиться на адрес: quality@uztpa.ru
- Какие способы доставки существуют УЗТПА может доставить продукцию любым способом и в любую точку стран СНГ, а также стран Западной Европы. Доставка осуществляется транспортными кампаниями. Есть возможность вывести продукцию самостоятельно со склада предприятия, оформив заявку. В пределах Москвы и области доставка может быть произведена собственным транспортом предприятия.
- Качество продукции УЗТПА На УЗТПА выстроена многоступенчатая система менеджмента качества. Начиная с этапа выбора поставщиков материалов до производства, хранения и поставки продукции конечному заказчику, специалисты предприятия осуществляют необходимый контроль качества и соблюдение требований СМК. Собственная испытательная лаборатория гарантирует соответствие материалов заявленным характеристикам, а каждая единица продукции проходит испытания на прочность и герметичность. УЗТПА поставляет продукцию по всей стране для крупнейших предприятий топливно-энергетической отрасли. Они выбрали нас за отличное качество продукции и высочайший уровень ответственности. Вся продукция УЗТПА сертифицирована и разрешена к применению. Проводится постоянная работа по подтверждению эксплуатационных характеристик. Осуществляется сотрудничество с крупнейшими сертификационными центрами и испытательными лабораториями РФ