Products & Services
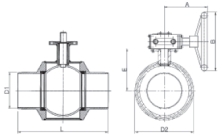
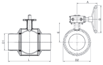
Полнопроходной приварной шаровой кран, DN300
| Working medium | природный газ |
| t⁰C working medium | up to ≈+100⁰С |
| Tightness class | "А" по ГОСТ 9544-2015 |
| Specification | Цельносварная конструкция |
| Шпиндель | Сталь 20Х13 |
| Кольца уплотнительные | Фторсилоксановый эластомер |
| Корпус, горловина | Сталь 20 / Сталь 09Г2С |
| Патрубок | Сталь 20Л / Сталь 20ГЛ |
| Пробка | Сталь 08Х18Н10Т |
| Седло | Фторопласт Ф4К20 |
| Пружина тарельчатая | Сталь пружинная |
Преимущества применения
- Соединение патрубков данного шарового крана с трубопроводом выполняется путём приварки.
- Возможность использования на трубопроводах природного газа с давлением до 4,0 Мпа и температурой рабочей среды до 100°С.
- Подходит для эксплуатации на особо ответственных участках трубопровода.
- Полная герметичность перекрытия потока среды.
- Современная конструкция, максимально подходящая для российских условий эксплуатации.
- Конкурентоспособная цена.